Ka-band 導波路型バンドパスフィルタ
- 製品名
- Ka-band 導波路型バンドパスフィルタ
- Ka-Band Waveguide Bandpass Filter
- 型番
- F-WGBPKX-7011-UGPB
- メーカー
-
ETL Systems
製品一覧
製品概要
Ka-帯 WR-28導波路型バンドパスフィルタです。
特長
- Ka-band29.99-30.01GHz
- 25dBc rejection at +/-400MHz from Center Frequency
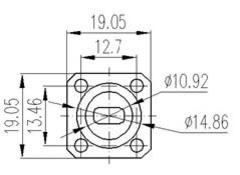
- UG-599/U & PBR320 RF Connectors
- <1.0dB Insertion loss
FEATURES
- Ka-band29.99-30.01GHz
- 25dBc rejection at +/-400MHz from Center Frequency
- UG-599/U & PBR320 RF Connectors
- <1.0dB Insertion loss



